1
/
su
10
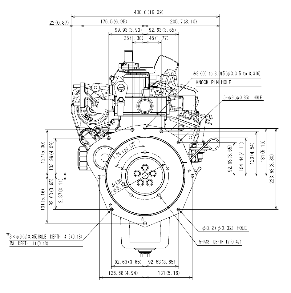
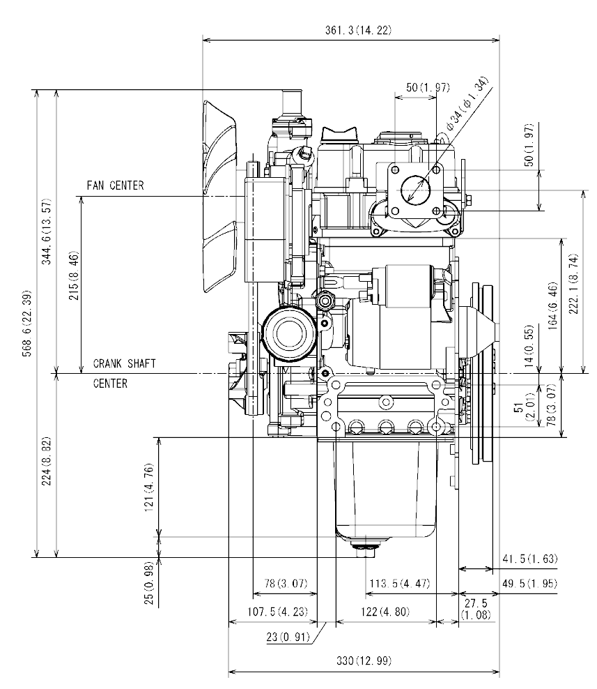
Kubota
KUBOTA Z482
KUBOTA Z482
Prezzo di listino
€0,00
Prezzo di listino
Prezzo scontato
€0,00
Prezzo unitario
/
per
Imposte incluse.
Impossibile caricare la disponibilità di ritiro
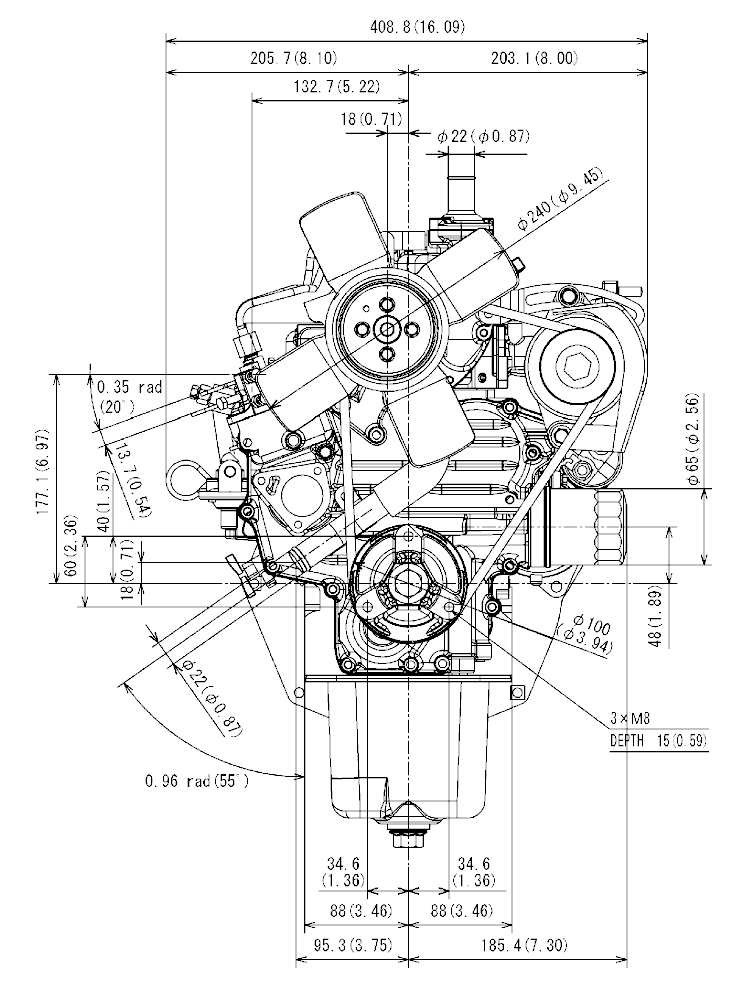
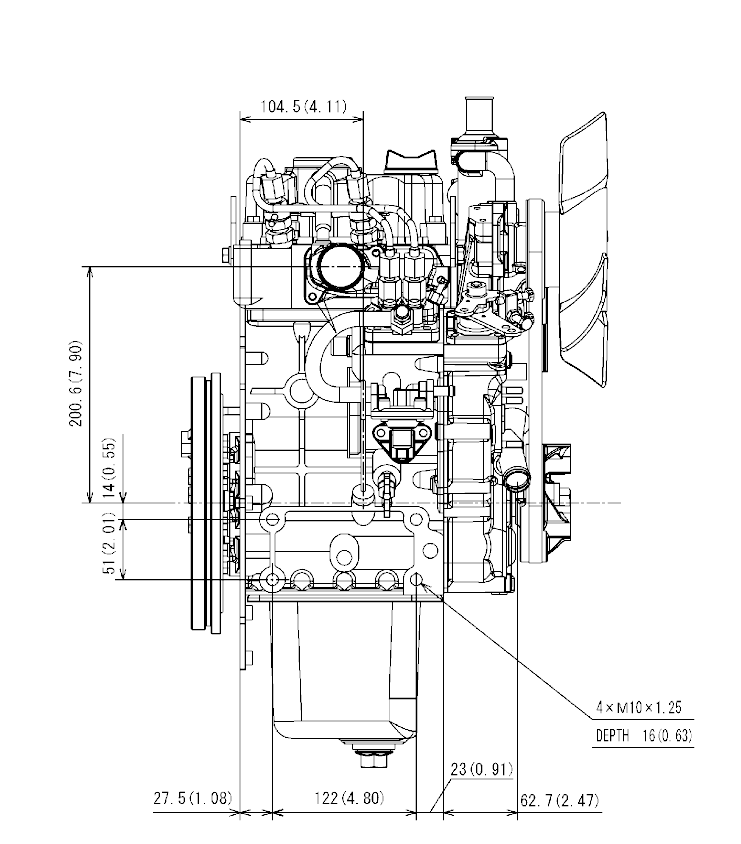
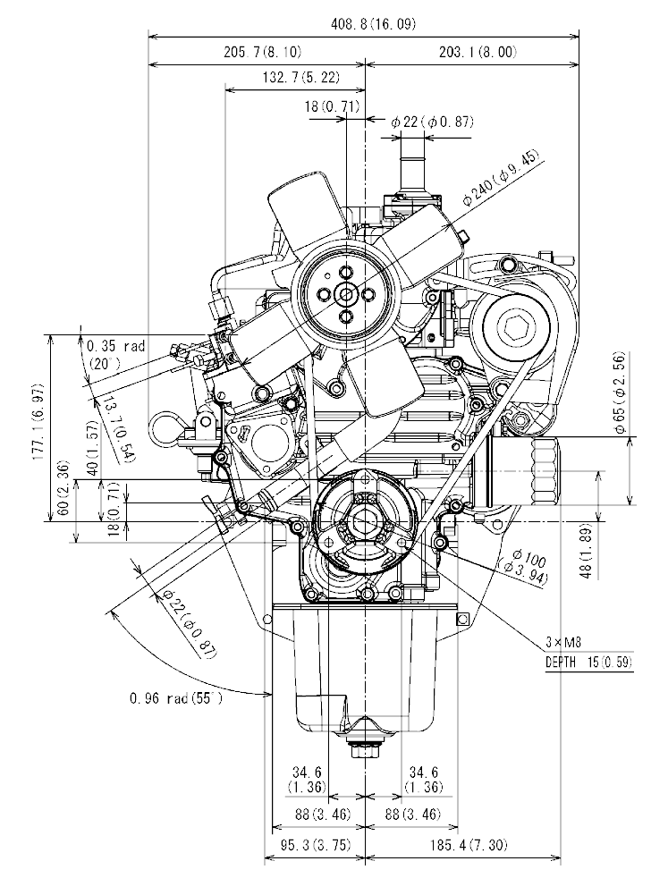
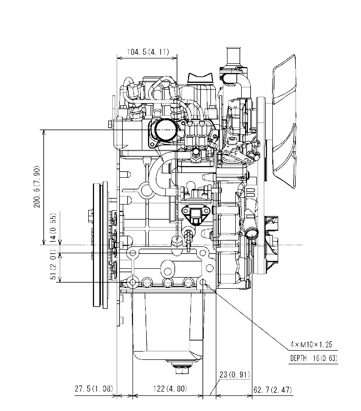
Motore diesel usato non funzionante solo per ricambi Kubota Z482.
Il Kubota Z482 è un motore diesel IDI a 4 cicli verticale, raffreddato ad acqua, a 4 cilindri in linea, con una capacità di 10,8 CV a 3600RPM. S.E.&.O.
Condividi il prodotto
