1
/
su
20
Kubota
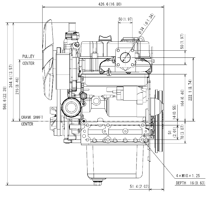
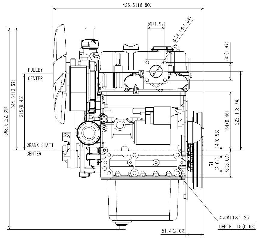
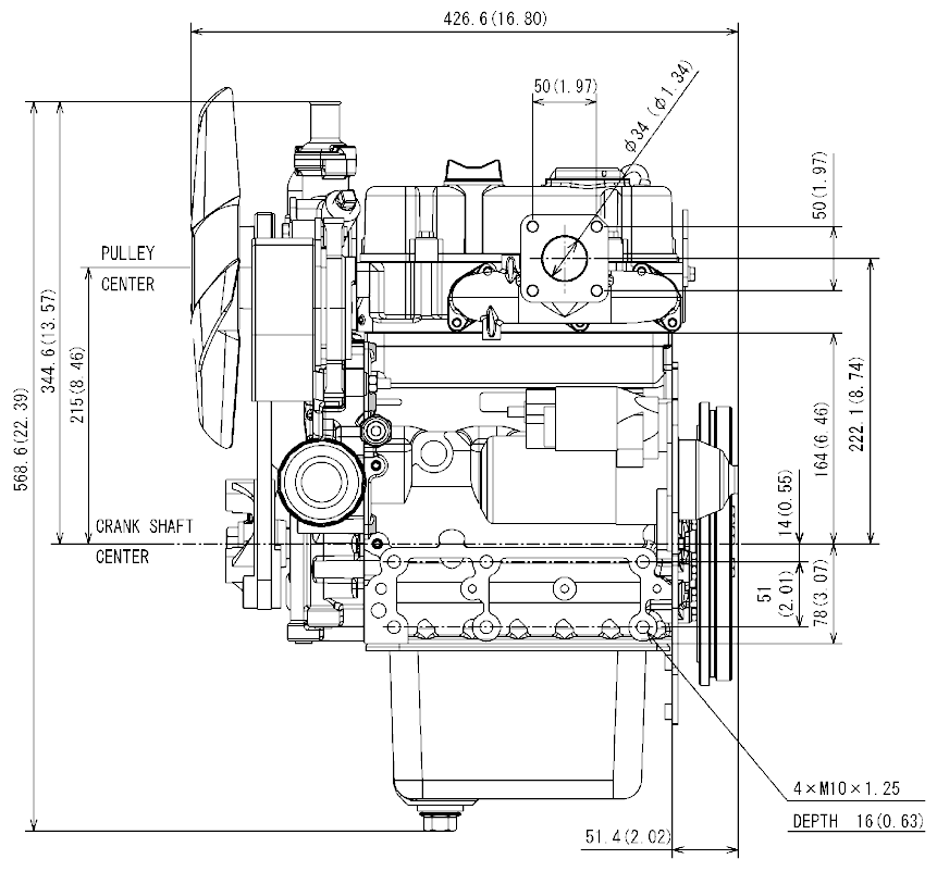
KUBOTA D722
KUBOTA D722
Prezzo di listino
€0,00
Prezzo di listino
Prezzo scontato
€0,00
Prezzo unitario
/
per
Imposte incluse.
Impossibile caricare la disponibilità di ritiro
Motore diesel usato perfettamente funzionante KUBOTA D722.
Il Kubota D722 è un motore diesel IDI a 4 cicli verticali, raffreddato ad acqua, a 4 cilindri, con una capacità di 16,3 CV a 3600RPM. Disponibili più unità. S.E.&.O.
Condividi il prodotto
